מחבר D-TYPE COMBO IP67 - זכר למעגל מודפס - 40A - DB-17W2 NORCOMP ועוד קונקטורים, מחברים ומתאמים. לחצו למיפרט טכני מלא. צרו קשר לייעוץ מקצועי: 04-8520233
מחבר D-TYPE COMBO IP67 - זכר למעגל מודפס - 40A - DB-17W2
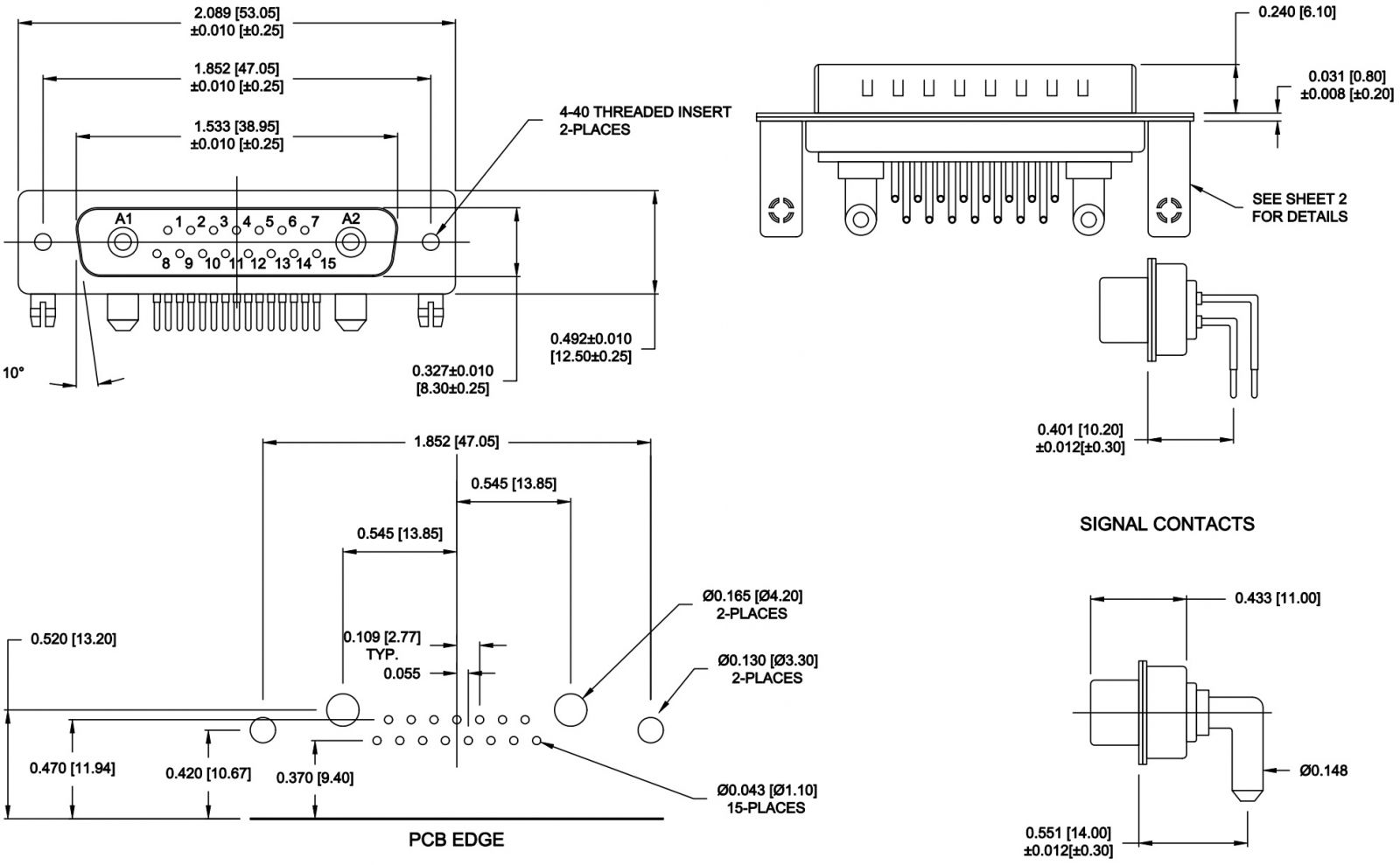
תצורת המחבר :
♦ 15 מגעים SIGNAL לזרם מקסימלי של 5A (כבל 20AWG)
♦ 2 מגעים POWER לזרם מקסימלי של 40A (כבל 8AWG)
♦ מעטפת מפלדה עם ציפוי ניקל
♦ מגעים מנחושת עם ציפוי זהב
♦ מבודד פוליאסטר UL 94V-O
♦ אטם גמיש F08 FLEXIBLE ADHESIVE
♦ מתח מקסימלי : 1000VAC R.M.S
♦ טמפרטורת עבודה : 55°C - 125°C-

מוצרים נלווים
| תמונה | תיאור מוצר | הוסף לסל | |||
|---|---|---|---|---|---|
| 2911242 מחבר D-TYPE COMBO IP67 - נקבה להלחמה לכבל - 40A - DB-17W2 | NORCOMP | מחבר D-TYPE COMBO IP67 - נקבה להלחמה לכבל - 40A - DB-17W2 תצורת המחבר : ♦ ... קונקטורים, מחברים ומתאמים » מחברים ומתאמים - D-TYPE | כמות |







