ברגים מפלדה - BUTTON - ראש אלן - M6 X 16MM DURATOOL ועוד פתרונות זיווד לאלקטרוניקה. לחצו למיפרט טכני מלא. צרו קשר לייעוץ מקצועי: 04-8520233
לקוחותינו התעניינו גם ב...
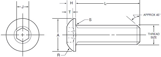
ברגים מפלדה - BUTTON - ראש אלן - M6 X 16MM
♦ סוג בורג : BUTTON
♦ חומר : GRADE 10.9 HEAT TREATED STEEL
♦ כמות בחבילה : 50 יחידות

מוצרים נלווים







