מחבר MOLEX להלחמה למעגל מודפס - סדרת SL - זכר 18 מגעים MOLEX ועוד קונקטורים, מחברים ומתאמים. לחצו למיפרט טכני מלא. צרו קשר לייעוץ מקצועי: 04-8520233
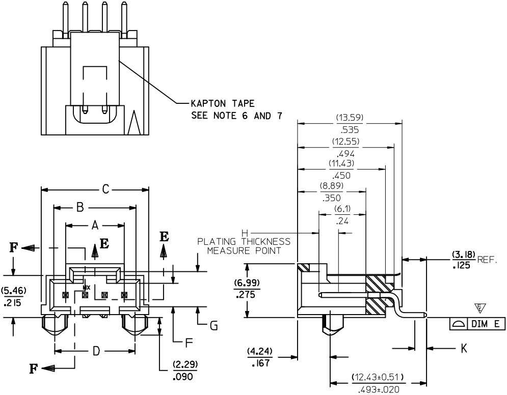
מחבר MOLEX להלחמה למעגל מודפס - סדרת SL - זכר 18 מגעים
♦ מק''ט יצרן : 15-91-2185
♦ סוג מחבר : RIGHT ANGLE SINGLE ROW - SURFACE MOUNT
♦ שיטת חיבור : הלחמה SMD
♦ מגעים מנחושת עם ציפוי זהב
♦ מרווח בין מגעים : 2.54MM
♦ מתח מקסימלי : 250V
♦ זרם מקסימלי : 3A
♦ טמפרטורת עבודה : 40ºC ~ 105ºC-
♦ מינימום להזמנה : 300 יחידות

מוצרים נלווים
| תמונה | תיאור מוצר | הוסף לסל | |||
|---|---|---|---|---|---|
| 9422162 לוחץ למחברי MOLEX - סדרת 24AWG ~ 30AWG - SL | MOLEX | לוחץ למחברי MOLEX - סדרת 24AWG ~ 30AWG - SL ... כלי עבודה ידניים » לוחצים לכבלים | כמות | |
| MS70066-18 מחבר MOLEX ללחיצה לכבל - סדרת SL - נקבה 18 מגעים | MOLEX | מחבר MOLEX ללחיצה לכבל - סדרת SL - נקבה 18 מגעים ♦ מק''ט יצרן : 50-57-9418 ... קונקטורים, מחברים ומתאמים » מחברים ומתאמים - MOLEX | כמות |







