שנאי עם מתח משתנה (VARIAC) - קפסולה 1A MULTICOMP ועוד ספקי כוח, שנאים וממירי מתח. לחצו למיפרט טכני מלא. צרו קשר לייעוץ מקצועי: 04-8520233
שנאי עם מתח משתנה (VARIAC) - קפסולה 1A
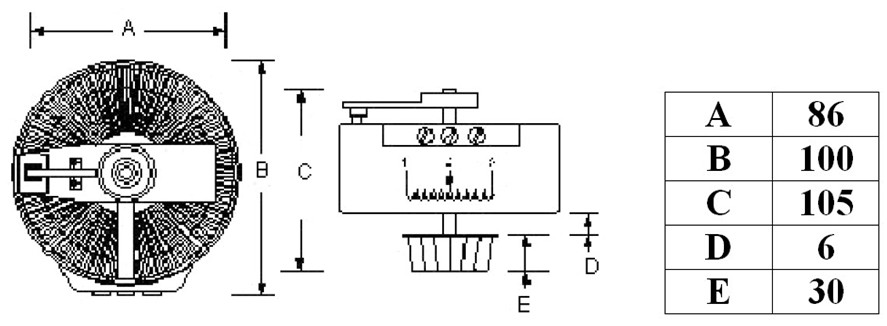
♦ מתח כניסה : 240VAC
♦ הספק : 240VA
♦ משקל : 1.75KG

מוצרים נלווים
|
טיפים והמלצות פתרונות קירור לאלקטרוניקה: למה הפרויקט שלכם צריך מאוורר או גוף קירור? איך שנאים שינו את העולם? דרמל ושימושים של הכלי הרב תכליתי קליבר - הכלי המדוייק למדידה מזוודת אחסון כלי עבודה מוצרי תחזוקה וניקוי באלקטרוניקה זיווד באלקטרוניקה - קופסאות חשמל פלסטיק ציוד ניקיון - כלים חשמליים לניקיון שואבי אבק לתעשיה ולבית - לניקיון מהיר ויסודי ארגזי כלים ופתרונות אחסון לציוד וכלי עבודה |
שנאי עם מתח משתנה (VARIAC) - קפסולה 1A MULTICOMP ועוד ספקי כוח, שנאים וממירי מתח. לחצו למיפרט טכני מלא. צרו קשר לייעוץ מקצועי: 04-8520233 שנאי עם מתח משתנה (VARIAC) - קפסולה 1A
♦ מתח כניסה : 240VAC ♦ הספק : 240VA ♦ משקל : 1.75KG
מוצרים נלווים |