ממסר SPST-NO , 12VAC ~ 280VAC , 25A - SSR CRYDOM ועוד רכיבי חשמל ובקרה. לחצו למיפרט טכני מלא. צרו קשר לייעוץ מקצועי: 04-8520233
שתף
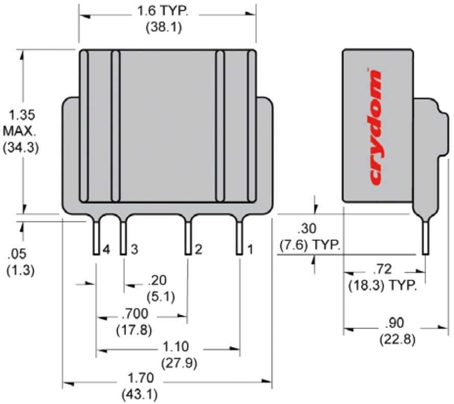
ממסר SPST-NO , 12VAC ~ 280VAC , 25A - SSR
♦ מק''ט יצרן : PFE240D25
♦ מתח בקרה : 15VDC ~ 32VDC
♦ שיטת מיתוג : ZERO CROSSING
♦ שיטת חיבור : PCB THROUGH HOLE

מוצרים נלווים
| תמונה | תיאור מוצר | הוסף לסל | |||
|---|---|---|---|---|---|
| 8704871 תושבת פס דין לממסר מצב מוצק (CRYDOM DRS1 - (SSR | CRYDOM | תושבת פס דין לממסר מצב מוצק (CRYDOM DRS1 - (SSR ♦ מק''ט יצרן : DRS1 למפרט מל... רכיבי חשמל ובקרה » ממסרים מצב מוצק - SOLID STATE RELAY | כמות |







