רכיבי חשמל ובקרה » ממסרים מצב מוצק - SOLID STATE RELAY » אביזרים וחלקי חילוף - ממסרים מצב מוצק (SSR)
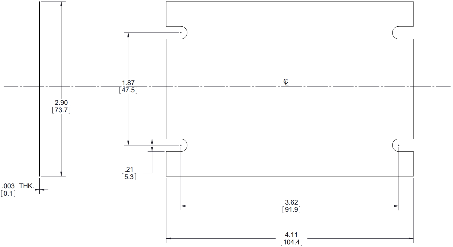
פד תרמי לממסר מצב מוצק (CRYDOM HSP-3 - (SSR CRYDOM ועוד רכיבי חשמל ובקרה. לחצו למיפרט טכני מלא. צרו קשר לייעוץ מקצועי: 04-8520233
מוצרים נלווים
| תמונה | תיאור מוצר | הוסף לסל | |||
|---|---|---|---|---|---|
| 5020021 ממסר SPST-NO , 48Vrms ~ 530Vrms , 25A - SSR | CRYDOM | ממסר SPST-NO , 48Vrms ~ 530Vrms , 25A - SSR ♦ מק''ט יצרן :A53TP25D♦ מתח בקרה : 90VAC ~ 280VAC&d... רכיבי חשמל ובקרה » ממסרים מצב מוצק - SOLID STATE RELAY | כמות | |
| 6020021 ממסר SPST-NO , 48Vrms ~ 530Vrms , 50A - SSR | CRYDOM | ממסר SPST-NO , 48Vrms ~ 530Vrms , 50A - SSR ♦ מק''ט יצרן :A53TP50D♦ מתח בקרה : 90VAC ~ 280VAC&d... רכיבי חשמל ובקרה » ממסרים מצב מוצק - SOLID STATE RELAY | כמות | |
| 7020021 ממסר SPST-NO , 48Vrms ~ 530Vrms , 25A - SSR | CRYDOM | ממסר SPST-NO , 48Vrms ~ 530Vrms , 25A - SSR ♦ מק''ט יצרן :D53TP25D♦ מתח בקרה : 4VDC ~ 32VDC&dia... רכיבי חשמל ובקרה » ממסרים מצב מוצק - SOLID STATE RELAY | כמות | |
| 8020021 ממסר SPST-NO , 48Vrms ~ 530Vrms , 50A - SSR | CRYDOM | ממסר SPST-NO , 48Vrms ~ 530Vrms , 50A - SSR ♦ מק''ט יצרן :D53TP50D♦ מתח בקרה : 4VDC ~ 32VDC&dia... רכיבי חשמל ובקרה » ממסרים מצב מוצק - SOLID STATE RELAY | כמות | |
| 1031122 ממסר SPST-NO , 7VDC ~ 48VDC , 160A - SSR | CRYDOM | ממסר SPST-NO , 7VDC ~ 48VDC , 160A - SSR ♦ מק''ט יצרן :HDC60D160♦ מתח בקרה : 4.5VDC ~ 32VDC&dia... רכיבי חשמל ובקרה » ממסרים מצב מוצק - SOLID STATE RELAY | כמות | |
| 3921122 ממסר SPST-NO , 7VDC ~ 72VDC , 160A - SSR | CRYDOM | ממסר SPST-NO , 7VDC ~ 72VDC , 160A - SSR ♦ מק''ט יצרן :HDC100D160♦ מתח בקרה : 4.5VDC ~ 32VDC&di... רכיבי חשמל ובקרה » ממסרים מצב מוצק - SOLID STATE RELAY | כמות |








