מתאם קואקסיאלי - DIN 7/16 PLUG - N TYPE SOCKET AMPHENOL ועוד קונקטורים, מחברים ומתאמים. לחצו למיפרט טכני מלא. צרו קשר לייעוץ מקצועי: 04-8520233
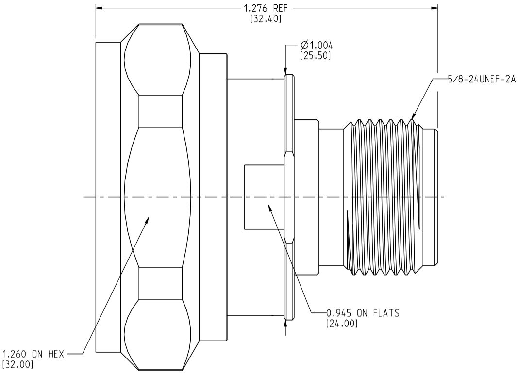
מתאם קואקסיאלי - DIN 7/16 PLUG - N TYPE SOCKET
♦ התנגדות פנימית : 50R
♦ תדר עבודה מקסימלי : 6GHz
♦ טמפרטורת עבודה : 40ºC ~ 155ºC-

מוצרים נלווים







