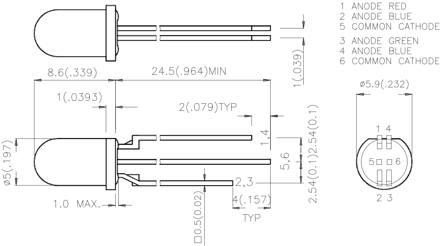
לד אינדיקציה 5 מ''מ - אדום / ירוק / כחול - 6 רגליים KINGBRIGHT ועוד לדים ורכיבים אופטיים. לחצו למיפרט טכני מלא. צרו קשר לייעוץ מקצועי: 04-8520233
לקוחותינו התעניינו גם ב...
לד אינדיקציה 5 מ''מ - אדום / ירוק / כחול - 6 רגליים
♦ צריכת זרם : 30MA
♦ זווית תאורה : 30º
♦ עוצמת תאורה : אדום 30MCD / ירוק 25MCD / כחול 20MCD
♦ מתח הפעלה : אדום 2V / ירוק 2.2V / כחול 4V
♦ אורך גל : אדום 625NM / ירוק 568NM / כחול 455NM

מוצרים נלווים







