מחבר JST להלחמה למעגל מודפס - סדרת EH - זכר 4 מגעים JST ועוד קונקטורים, מחברים ומתאמים. לחצו למיפרט טכני מלא. צרו קשר לייעוץ מקצועי: 04-8520233
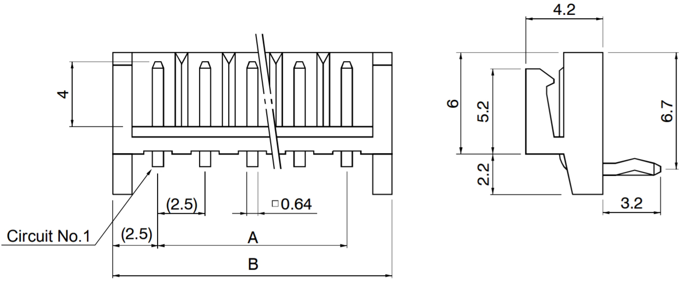
מחבר JST להלחמה למעגל מודפס - סדרת EH - זכר 4 מגעים
♦ סוג מחבר : SIDE ENTRY HEADER SINGLE ROW
♦ שיטת חיבור : הלחמה
♦ מרווח בין מגעים : 2.5MM
♦ מתח מגעים מקסימלי : 250V AC/DC
♦ זרם מגעים מקסימלי : 3A
♦ תאימות לכבל : 32AWG ~ 22AWG
♦ טמפרטורת עבודה : 25ºC ~ 85ºC-
♦ מינימום להזמנה : 100 יחידות
(SN).jpg)
מוצרים נלווים
| תמונה | תיאור מוצר | הוסף לסל | |||
|---|---|---|---|---|---|
| 8070381 מחבר JST ללחיצה לכבל - סדרת EH - נקבה 4 מגעים | JST | מחבר JST ללחיצה לכבל - סדרת EH - נקבה 4 מגעים ♦ סוג מחבר : SINGLE ROW RECEPTACLE HOUSING&... קונקטורים, מחברים ומתאמים » מחברים ומתאמים - JST | כמות | |
| 9423681 פין ללחיצה לכבל למחברי JST - סדרת EH - נקבה - 22AWG ~ 30AWG | JST | פין ללחיצה לכבל למחברי JST - סדרת EH - נקבה - 22AWG ~ 30AWG ♦ תאימות לכבל : 30-22AWG&diam... קונקטורים, מחברים ומתאמים » מחברים ומתאמים - JST | כמות | |
| 0512702 לוחץ למחברי JST - סדרת 22AWG ~ 28AWG - EH | JST | לוחץ למחברי JST - סדרת 22AWG ~ 28AWG - EH ♦ מבנה ארגונומי לאחיזה יציבה ונוחה♦ מנגנון ראצ'ט איכותי... כלי עבודה ידניים » לוחצים לכבלים | כמות |







