פוטנציומטר לינארי - BI TECHNOLOGIES P160 - 5K BI TECHNOLOGIES ועוד רכיבי אלקטרוניקה. לחצו למיפרט טכני מלא. צרו קשר לייעוץ מקצועי: 04-8520233
פוטנציומטר לינארי - BI TECHNOLOGIES P160 - 5K
♦ CONDUCTIVE PLASTIC POLYMER
♦ הספק : 200MW
♦ מתח מקסימלי : 200VDC
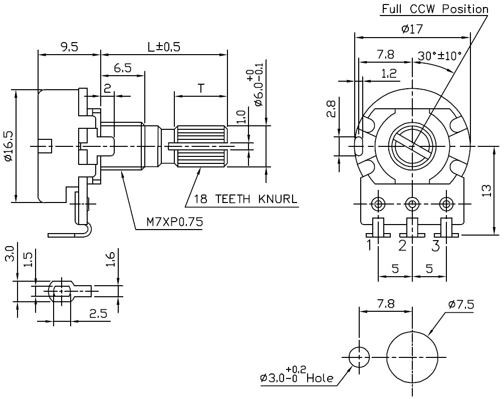
♦ קוטר הידית : 6MM
♦ קוטר סיבוב : 260 מעלות
♦ מספר פעולות : 100,000 סיבובים

מוצרים נלווים







