מפסק לחיצה לפנל - אנטי ונדליזם - ראש שטוח MULTICOMP ועוד רכיבי אלקטרוניקה. לחצו למיפרט טכני מלא. צרו קשר לייעוץ מקצועי: 04-8520233
מפסק לחיצה לפנל - אנטי ונדליזם - ראש שטוח
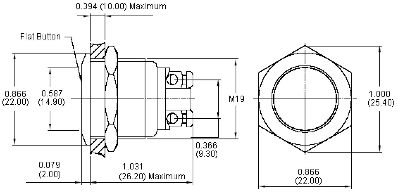
♦ גוף וכפתור - POLISHED STAINLESS STEEL
♦ סידור מגעים : SPST OFF/MOM
♦ מתח מקסימלי : 36V
♦ זרם מקסימלי : 2A
♦ מוגן מים IP65
♦ חיתוך פנל : 19MM
.jpg)
מוצרים נלווים







