רכיבי חשמל ובקרה » ממסרים מצב מוצק - SOLID STATE RELAY » ממסרים מצב מוצק (MULTICOMP PRO - PCB MOUNT (SSR
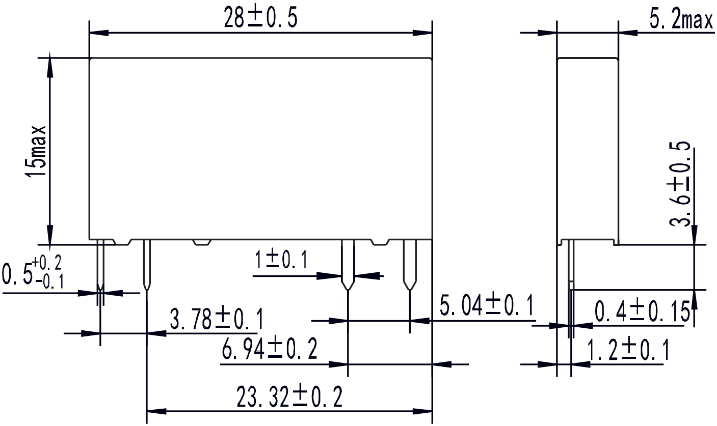
ממסר - SSR, PCB, 24-280V AC, 4-6V DC, 2A MULTICOMP PRO ועוד רכיבי חשמל ובקרה. לחצו למיפרט טכני מלא. צרו קשר לייעוץ מקצועי: 04-8520233
שתף
מוצרים נלווים








