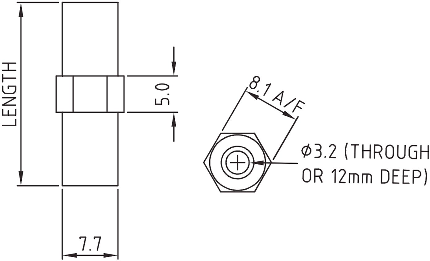
ספייסרים HD משושה מפלסטיק - נקבה/נקבה - אורך 34.9 מ''מ MULTICOMP PRO ועוד פתרונות זיווד לאלקטרוניקה. לחצו למיפרט טכני מלא. צרו קשר לייעוץ מקצועי: 04-8520233
ספייסרים HD משושה מפלסטיק - נקבה/נקבה - אורך 34.9 מ''מ
♦ מסופק בחבילות של 10 יחידות

מוצרים נלווים







