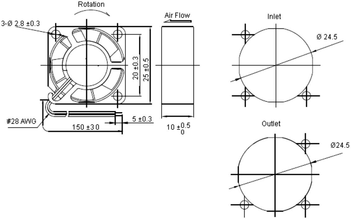
מאוורר - 5VDC , 25MMx25MMx10MM MULTICOMP ועוד פתרונות קירור לאלקטרוניקה. לחצו למיפרט טכני מלא. צרו קשר לייעוץ מקצועי: 04-8520233
לקוחותינו התעניינו גם ב...
מאוורר - 5VDC , 25MMx25MMx10MM
VAPO - ADVANCED BALL BEARING TECHNOLOGY
♦ צריכת זרם : 85MA
♦ זרימת אויר : 3CFM
♦ עוצמת רעש : 16DB

מוצרים נלווים







