מנוע מיניאטורי 1.5VDC - 3.0VDC MULTICOMP ועוד מוצרי פיתוח לאלקטרוניקה. לחצו למיפרט טכני מלא. צרו קשר לייעוץ מקצועי: 04-8520233
לקוחותינו התעניינו גם ב...
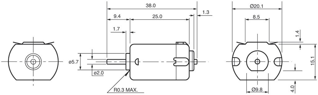
מנוע מיניאטורי 1.5VDC - 3.0VDC
♦ מהירות סיבוב מקסימלית : (6500RPN (1.5V) / 12000RPM (3.0V
♦ מומנט מקסימלי : (6.2GCM (1.5V) / 10.0GCM (3.0V
♦ צריכת זרם : (0.81A (1.5V) / 1.15A (3.0V
♦ הספק יציאה : (0.41W (1.5V) / 1.23W (3.0V
♦ משקל : 17G

מוצרים נלווים







