מנוע מיניאטורי 1.5VDC - 4.5VDC MULTICOMP ועוד מוצרי פיתוח לאלקטרוניקה. לחצו למיפרט טכני מלא. צרו קשר לייעוץ מקצועי: 04-8520233
לקוחותינו התעניינו גם ב...
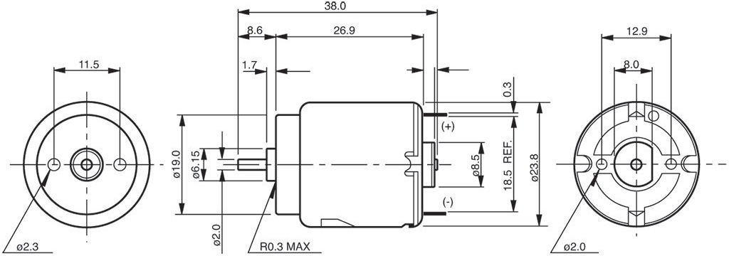
מנוע מיניאטורי 1.5VDC - 4.5VDC
♦ מהירות סיבוב מקסימלית : (2300RPN (1.5V) / 4900RPM (4.5V
♦ מומנט מקסימלי : (5.0GCM (1.5V) / 9.0GCM (4.5V
♦ צריכת זרם : (0.26A (1.5V) / 0.41A (4.5V
♦ הספק יציאה : (0.14W (1.5V) / 0.51W (3.0V
♦ משקל : 28G

מוצרים נלווים







