דיודה - 0.5W 3.6V - ZENER NXP ועוד רכיבי אלקטרוניקה. לחצו למיפרט טכני מלא. צרו קשר לייעוץ מקצועי: 04-8520233
שתף
לקוחותינו התעניינו גם ב...
דיודה - 0.5W 3.6V - ZENER
♦ דגם הדיודה : BZX79-C3V6
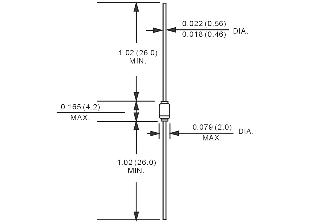
♦ מבנה הדיודה : DO-35
♦ מינימום להזמנה : 10 יחידות

מוצרים נלווים







