טריסטור 1600V 760A - IGT 200MA - POWER CAPSULE SEMIKRON ועוד רכיבי אלקטרוניקה. לחצו למיפרט טכני מלא. צרו קשר לייעוץ מקצועי: 04-8520233
טריסטור 1600V 760A - IGT 250MA - POWER CAPSULE
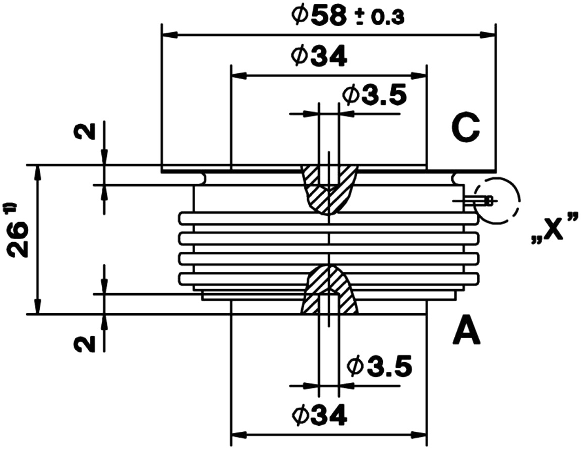
♦ דגם הטריסטור : SKT760/16E
♦ מבנה הטריסטור : (TO-200AC (CAPSULE
♦ זרם ON STATE מקסימלי : 1600A RMS

מוצרים נלווים







