רכיבי אלקטרוניקה » טרנזיסטורים - MOSFET » טרנזיסטורים לאלקטרוניקה - TO-220 - N CHANNEL - THROUGH HOLE
טרנזיסטור N CHANNEL - 800V 11A - 0.4R - TH ST MICROELECTRONICS ועוד רכיבי אלקטרוניקה. לחצו למיפרט טכני מלא. צרו קשר לייעוץ מקצועי: 04-8520233
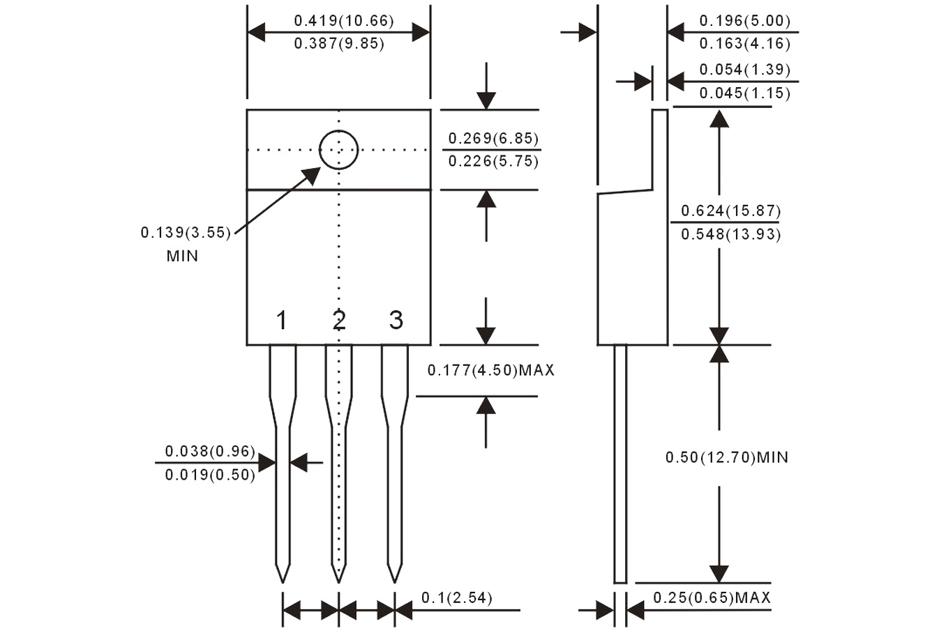
טרנזיסטור N CHANNEL - 800V 11A - 0.4R - TH
♦ דגם הטרנזיסטור : STP11NM80
♦ מבנה הטרנזיסטור : TO-220

מוצרים נלווים







