טרנזיסטור N CHANNEL - 200V 16A - 0.75R - TH SEMELAB ועוד רכיבי אלקטרוניקה. לחצו למיפרט טכני מלא. צרו קשר לייעוץ מקצועי: 04-8520233
טרנזיסטור N CHANNEL - 200V 16A - 0.75R - TH
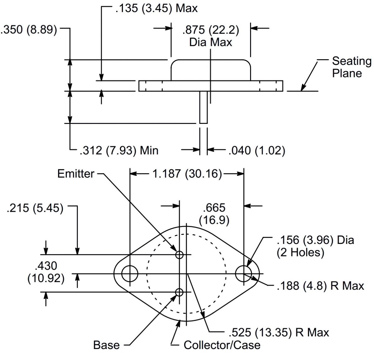
♦ דגם הטרנזיסטור : BUZ901D
♦ מבנה הטרנזיסטור : TO-3

מוצרים נלווים
|
טיפים והמלצות פתרונות קירור לאלקטרוניקה: למה הפרויקט שלכם צריך מאוורר או גוף קירור? דרמל ושימושים של הכלי הרב תכליתי קליבר - הכלי המדוייק למדידה מזוודת אחסון כלי עבודה מוצרי תחזוקה וניקוי באלקטרוניקה זיווד באלקטרוניקה - קופסאות חשמל פלסטיק יתרונות כבלים של חברת Neutrik ציוד ניקיון - כלים חשמליים לניקיון שואבי אבק לתעשיה ולבית - לניקיון מהיר ויסודי ארגזי כלים ופתרונות אחסון לציוד וכלי עבודה |
טרנזיסטור N CHANNEL - 200V 16A - 0.75R - TH SEMELAB ועוד רכיבי אלקטרוניקה. לחצו למיפרט טכני מלא. צרו קשר לייעוץ מקצועי: 04-8520233 טרנזיסטור N CHANNEL - 200V 16A - 0.75R - TH
♦ דגם הטרנזיסטור : BUZ901D ♦ מבנה הטרנזיסטור : TO-3
מוצרים נלווים |