טרנזיסטור - IGBT MODULE - N CH - 1200V 115A - 460W INFINEON ועוד רכיבי אלקטרוניקה. לחצו למיפרט טכני מלא. צרו קשר לייעוץ מקצועי: 04-8520233
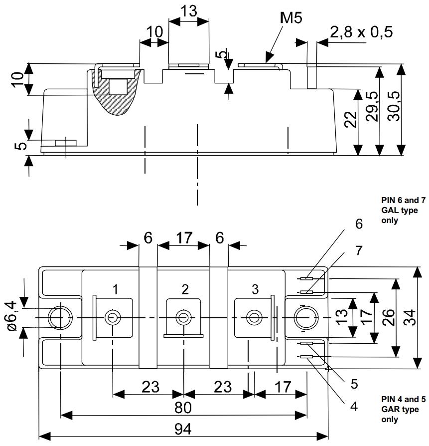
טרנזיסטור - IGBT MODULE - N CH - 1200V 115A - 460W
♦ דגם הטרנזיסטור : BSM50GB120DLC
♦ מבנה הטרנזיסטור : CHOPPER

מוצרים נלווים







