טרנזיסטור - IGBT MODULE - N CH - 1700V 1200A - 6250W FUJI ELECTRIC ועוד רכיבי אלקטרוניקה. לחצו למיפרט טכני מלא. צרו קשר לייעוץ מקצועי: 04-8520233
טרנזיסטור - IGBT MODULE - N CH - 1700V 1200A - 6250W
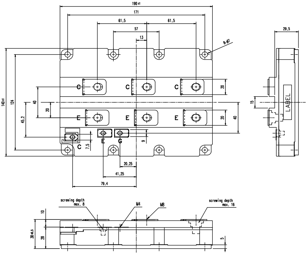
♦ דגם הטרנזיסטור : 2MBI1200U4G-170
♦ מבנה הטרנזיסטור : IMH-B
.jpg)
מוצרים נלווים







