טרנזיסטור - IGBT MODULE - N CH - 3300V 1200A - 14700W FUJI ELECTRIC ועוד רכיבי אלקטרוניקה. לחצו למיפרט טכני מלא. צרו קשר לייעוץ מקצועי: 04-8520233
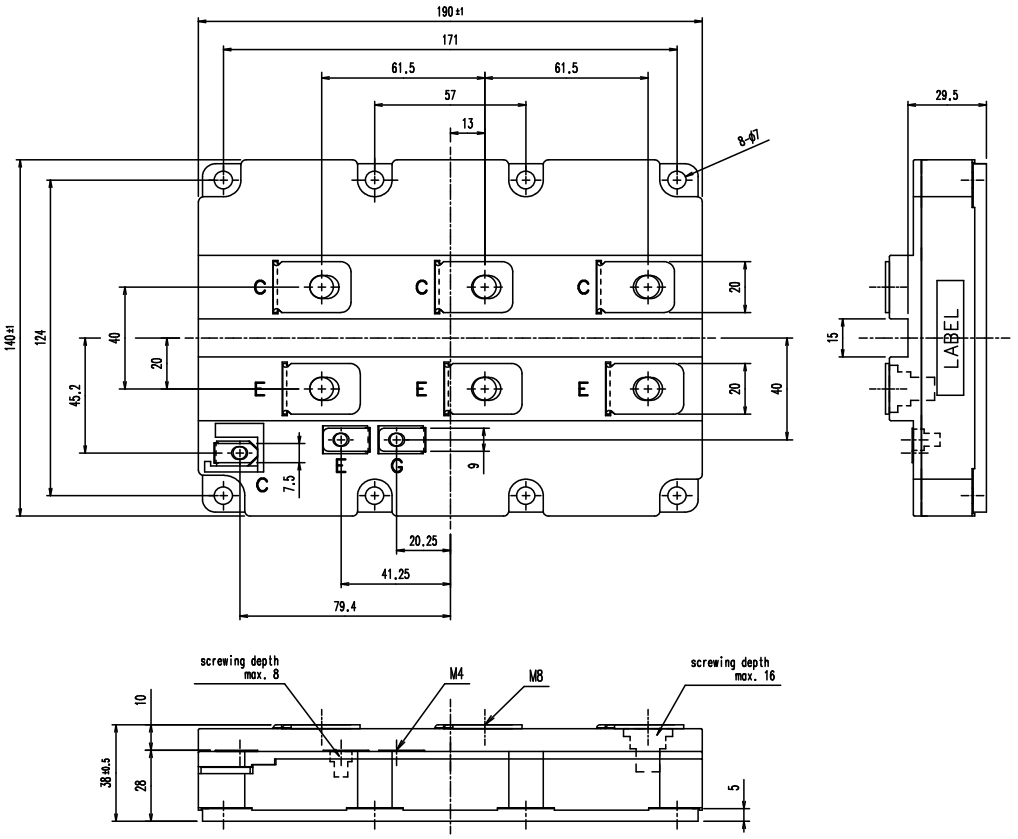
טרנזיסטור - IGBT MODULE - N CH - 3300V 1200A - 14700W
♦ דגם הטרנזיסטור : 1MBI1200UE-330
♦ מבנה הטרנזיסטור : IMH-B2
.jpg)
מוצרים נלווים







