מגבר אודיו - 2 ערוצים - SMD - 1300MW - 6V-24V TEXAS INSTRUMENTS ועוד מעגלים משולבים (IC). לחצו למיפרט טכני מלא. צרו קשר לייעוץ מקצועי: 04-8520233
שתף
מגבר אודיו - 2 ערוצים - SMD - 1300MW - 6V-24V
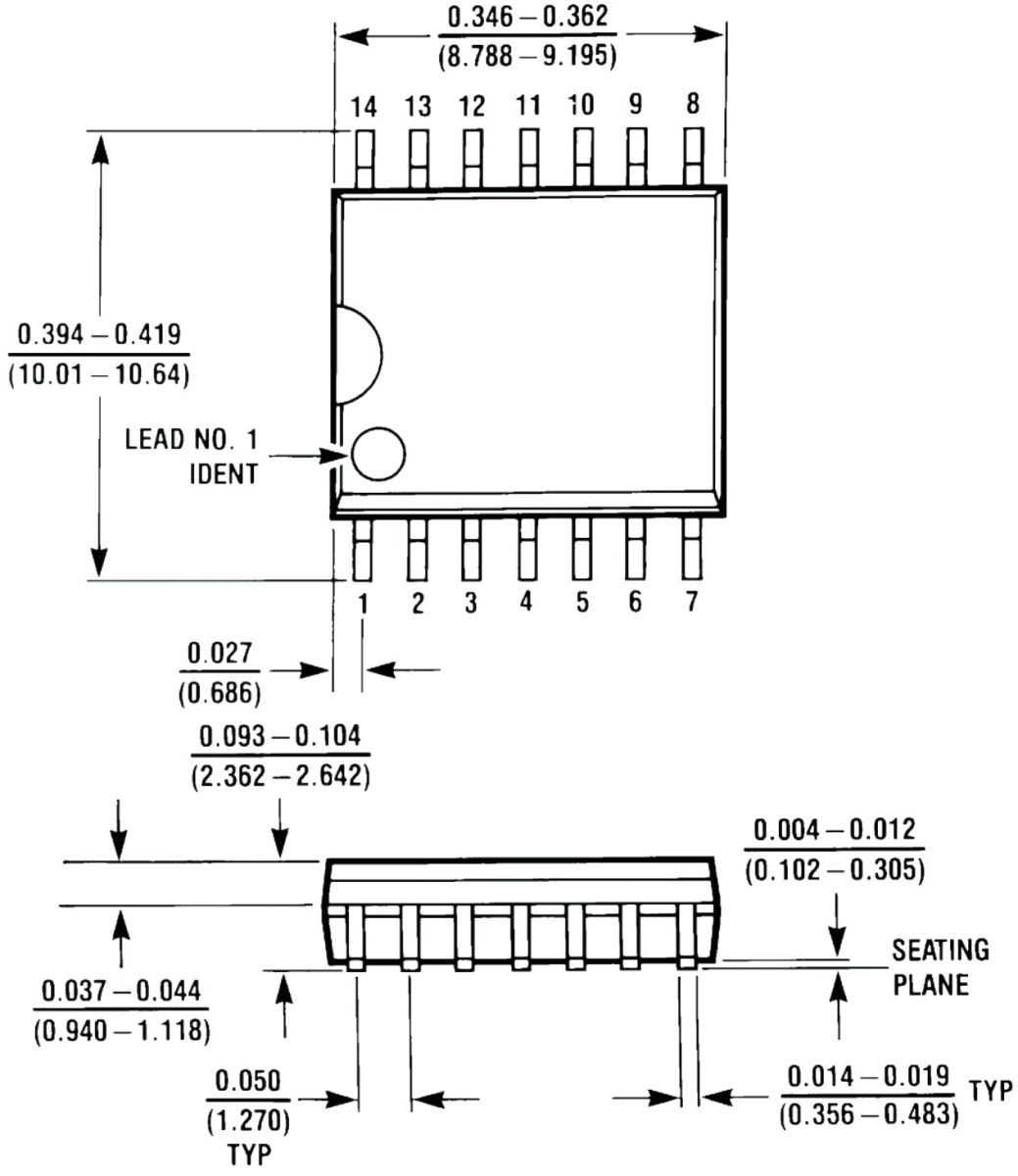
♦ דגם המגבר : LM1877M-9
♦ מבנה המגבר : SOIC-14

מוצרים נלווים







