מגבר אודיו - ערוץ 1 - DIP - 500MW - 4V-12V TEXAS INSTRUMENTS ועוד מעגלים משולבים (IC). לחצו למיפרט טכני מלא. צרו קשר לייעוץ מקצועי: 04-8520233
שתף
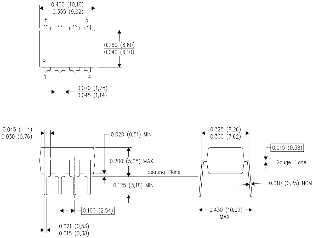
מגבר אודיו - ערוץ 1 - DIP - 500MW - 4V-12V
♦ דגם המגבר : LM386N-3
♦ מבנה המגבר : DIP-8
.jpg)
מוצרים נלווים







