מגבר אודיו - 2 ערוצים - DIP - 2.5V-22V - 600ohm TEXAS INSTRUMENTS ועוד מעגלים משולבים (IC). לחצו למיפרט טכני מלא. צרו קשר לייעוץ מקצועי: 04-8520233
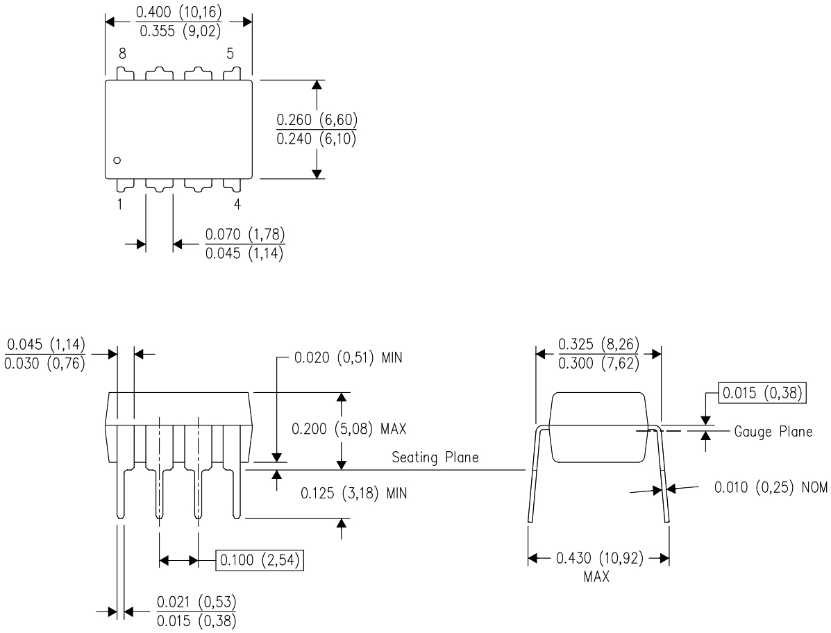
מגבר אודיו - 2 ערוצים - DIP - 2.5V-22V - 600ohm
♦ דגם המגבר : LME49860NA
♦ מבנה המגבר : DIP-20
.jpg)
מוצרים נלווים







