מגבר מכשור - ערוץ 1 - SMD - 250µV - 2.7V-36V - 150KHZ TEXAS INSTRUMENTS ועוד מעגלים משולבים (IC). לחצו למיפרט טכני מלא. צרו קשר לייעוץ מקצועי: 04-8520233
שתף
מגבר מכשור - ערוץ 1 - SMD - 250µV - 2.7V-36V - 150KHZ
♦ דגם המגבר : INA125U
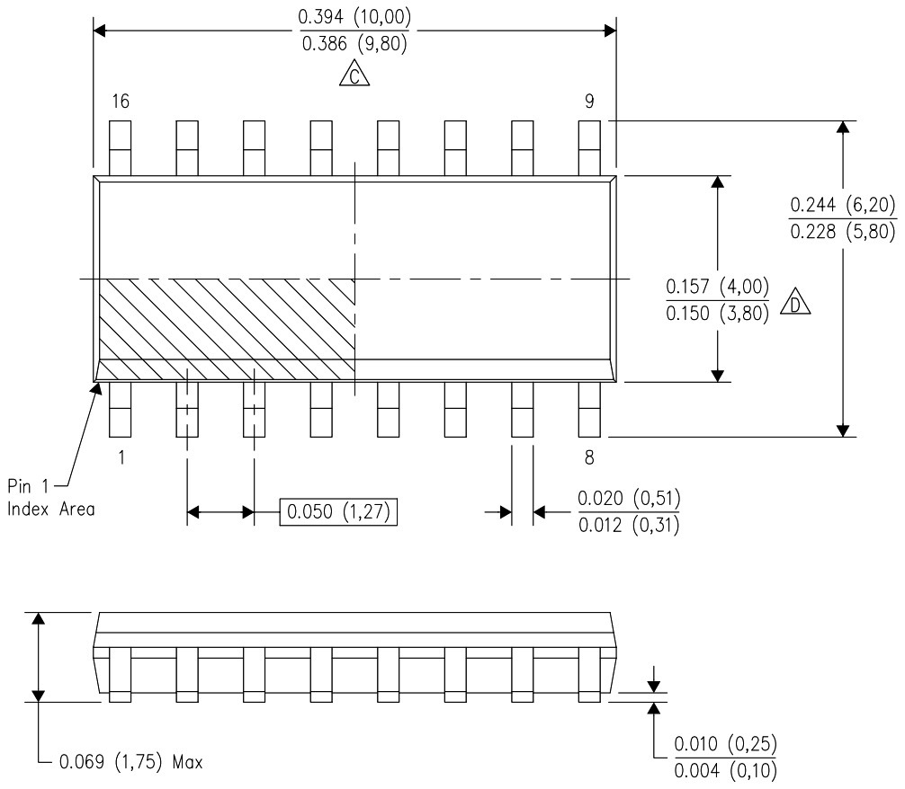
♦ מבנה המגבר : SOIC-16
.jpg)
מוצרים נלווים







