מגבר מכשור - 8 ערוצים - SMD - 500µV - 6V-18V - 2MHZ TEXAS INSTRUMENTS ועוד מעגלים משולבים (IC). לחצו למיפרט טכני מלא. צרו קשר לייעוץ מקצועי: 04-8520233
שתף
מגבר מכשור - 8 ערוצים - SMD - 500µV - 6V-18V - 2MHZ
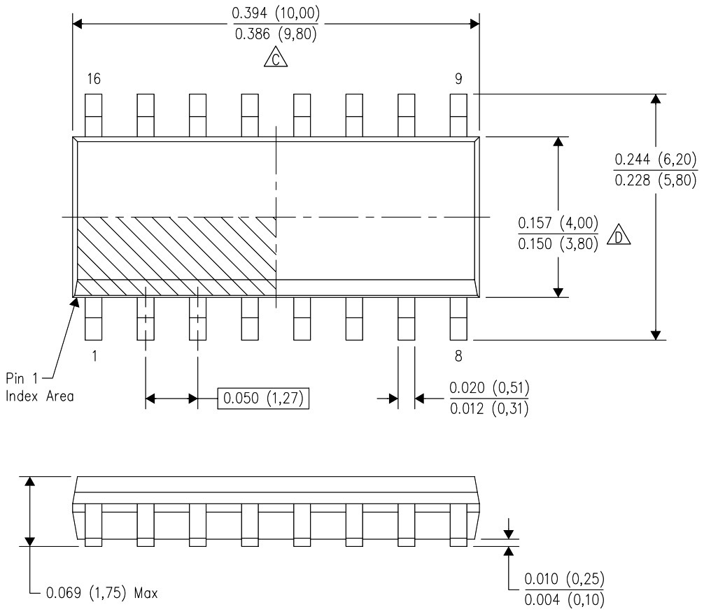
♦ דגם המגבר : INA111BU
♦ מבנה המגבר : SOIC-16
.jpg)
מוצרים נלווים







