מגבר מכשור - ערוץ 1 - DIP - 1MV - 6V-18V - 2MHZ TEXAS INSTRUMENTS ועוד מעגלים משולבים (IC). לחצו למיפרט טכני מלא. צרו קשר לייעוץ מקצועי: 04-8520233
שתף
מגבר מכשור - ערוץ 1 - DIP - 1MV - 6V-18V - 2MHZ
♦ דגם המגבר : INA111AP
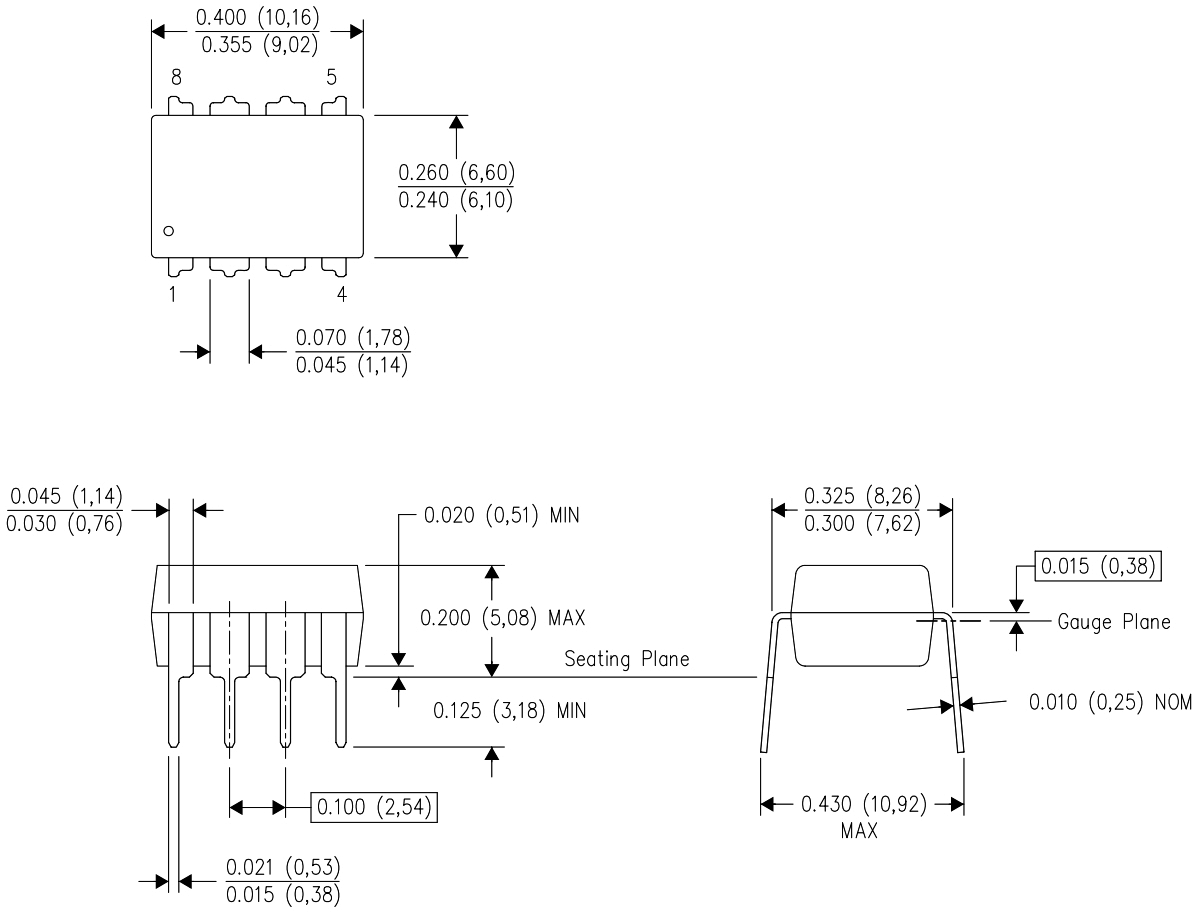
♦ מבנה המגבר : DIP-8
.jpg)
מוצרים נלווים







