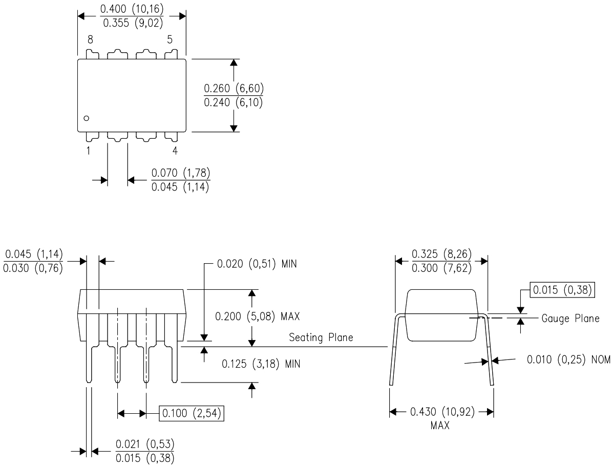
מגבר מכשור - ערוץ 1 - DIP - 250µV - 2.2V-36V - 120KHZ TEXAS INSTRUMENTS ועוד מעגלים משולבים (IC). לחצו למיפרט טכני מלא. צרו קשר לייעוץ מקצועי: 04-8520233
שתף
מגבר מכשור - ערוץ 1 - DIP - 250µV - 2.2V-36V - 120KHZ
דגם המגבר : INA122PA
מבנה המגבר : DIP-8
.jpg)
מוצרים נלווים







