מעגלים משולבים (IC) » רכיבים לוגיים - LOGIC IC'S » חוצצים , דוחפים ומקמ"שים - BUFFERS , LINE DRIVERS & TRANCEIVERS - SOIC
חוצץ / דוחף קו - לא הופך - SMD - 2V-6V TEXAS INSTRUMENTS ועוד מעגלים משולבים (IC). לחצו למיפרט טכני מלא. צרו קשר לייעוץ מקצועי: 04-8520233
שתף
חוצץ / דוחף קו - לא הופך - SMD - 2V-6V
♦ מק''ט יצרן : CD74HC126M
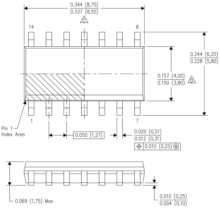
♦ מבנה הרכיב : SOIC-14
.jpg)
מוצרים נלווים







