מהפך לוגי - כניסה 1 - SMD - 1.65V-3.6V - 24MA - INV TEXAS INSTRUMENTS ועוד מעגלים משולבים (IC). לחצו למיפרט טכני מלא. צרו קשר לייעוץ מקצועי: 04-8520233
שתף
מהפך לוגי - כניסה 1 - SMD - 1.65V-3.6V - 24MA - INV
♦ מק''ט יצרן : SN74LVC04APW
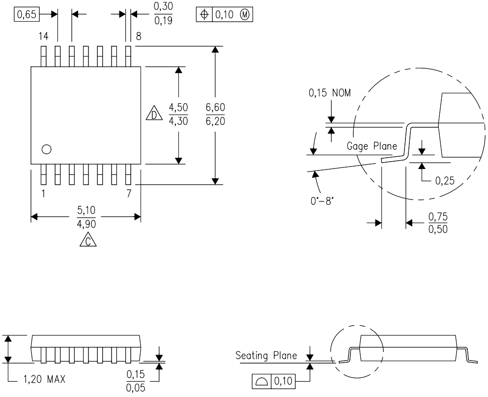
♦ מבנה הרכיב : TSSOP-14
.jpg)
מוצרים נלווים







