מונה לוגי - SMD - 11MHZ - 3V-18V - DEC / DIV TEXAS INSTRUMENTS ועוד מעגלים משולבים (IC). לחצו למיפרט טכני מלא. צרו קשר לייעוץ מקצועי: 04-8520233
מונה לוגי - SMD - 11MHZ - 3V-18V - DEC / DIV
♦ מק''ט יצרן : CD4017BPW
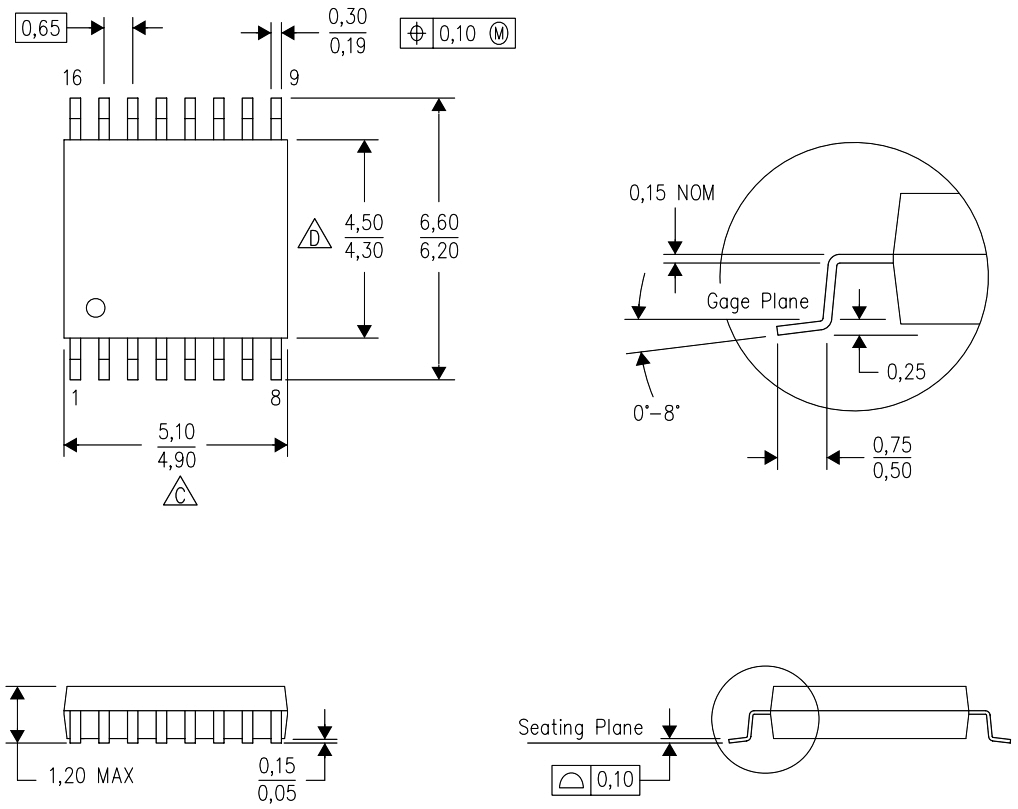
♦ מבנה הרכיב : TSSOP-16
.jpg)
מוצרים נלווים







