בריח לוגי - SMD - 1.65V-3.6V - 24MA - 4.2ns - D TYPE / TRNS TEXAS INSTRUMENTS ועוד מעגלים משולבים (IC). לחצו למיפרט טכני מלא. צרו קשר לייעוץ מקצועי: 04-8520233
שתף
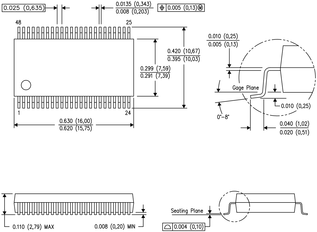
בריח לוגי - SMD - 1.65V-3.6V - 24MA - 4.2ns - D TYPE / TRNS
♦ מק''ט יצרן : SN74ALVC16373ADGGR
♦ מבנה הרכיב : TSSOP-48
.jpg)
מוצרים נלווים







