מסית רמה - 6 כניסות - SMD - 1.2V-3.6V - 20µA - 14ns TEXAS INSTRUMENTS ועוד מעגלים משולבים (IC). לחצו למיפרט טכני מלא. צרו קשר לייעוץ מקצועי: 04-8520233
שתף
מסית רמה - 6 כניסות - SMD - 1.2V-3.6V - 20µA - 14ns
♦ מק''ט יצרן : TXB0106PWR
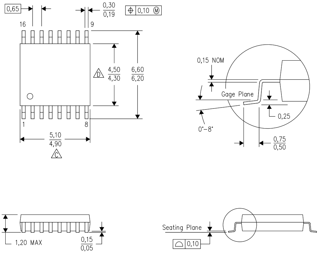
♦ מבנה הרכיב : TSSOP-16
.jpg)
מוצרים נלווים







