מסית רמה - 8 כניסות - SMD - 1.2V-3.6V - 620µA - 3.5ns TEXAS INSTRUMENTS ועוד מעגלים משולבים (IC). לחצו למיפרט טכני מלא. צרו קשר לייעוץ מקצועי: 04-8520233
שתף
מסית רמה - 8 כניסות - SMD - 1.2V-3.6V - 620µA - 3.5ns
♦ מק''ט יצרן : TXS0108EPWR
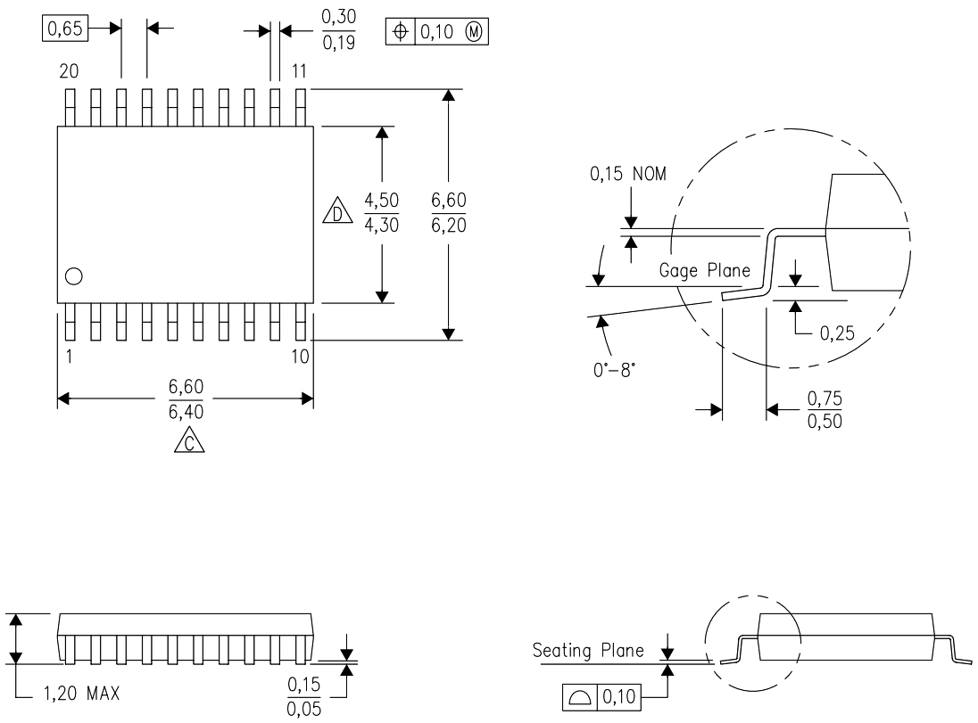
♦ מבנה הרכיב : TSSOP-20
.jpg)
מוצרים נלווים







