מעגלים משולבים (IC) » רכיבים לוגיים - LOGIC IC'S » מרבבים ובוררים - MULTIPLEXERS & DATA SELECTORS - SOIC
מרבב - 2 ערוצים - SMD - 2V-6V - 4:1 - MUX TEXAS INSTRUMENTS ועוד מעגלים משולבים (IC). לחצו למיפרט טכני מלא. צרו קשר לייעוץ מקצועי: 04-8520233
שתף
מרבב - 2 ערוצים - SMD - 2V-6V - 4:1 - MUX
♦ מק''ט יצרן : CD74HC253D
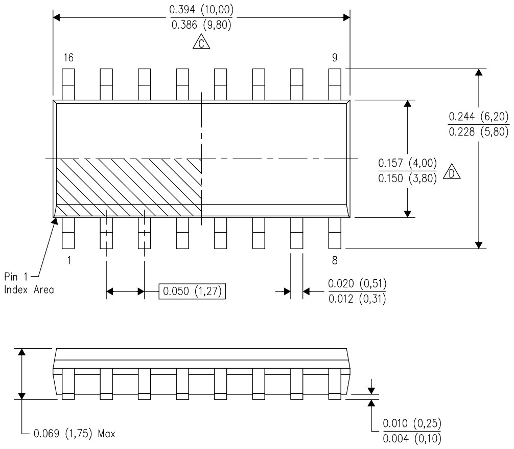
♦ מבנה הרכיב : SOIC-16
.jpg)
מוצרים נלווים







