רב רטט - SMD - 3V-18V - 6.8MA - 125ns - MSTBL / ASTBL TEXAS INSTRUMENTS ועוד מעגלים משולבים (IC). לחצו למיפרט טכני מלא. צרו קשר לייעוץ מקצועי: 04-8520233
רב רטט - SMD - 3V-18V - 6.8MA - 125ns - MSTBL / ASTBL
♦ מק''ט יצרן : CD4047BPW
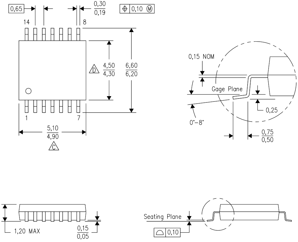
♦ מבנה הרכיב : TSSOP-14
.jpg)
מוצרים נלווים







