אוגר היסט - אלמנט 1 - SMD - 2V-6V - SER⇒PAR TEXAS INSTRUMENTS ועוד מעגלים משולבים (IC). לחצו למיפרט טכני מלא. צרו קשר לייעוץ מקצועי: 04-8520233
שתף
אוגר היסט - אלמנט 1 - SMD - 2V-6V - SER⇒PAR
♦ מק''ט יצרן : SN74HC595DR
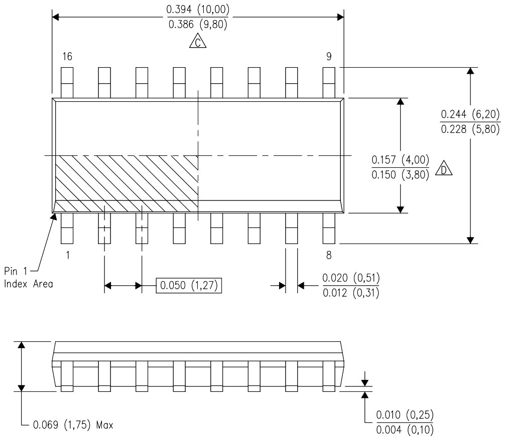
♦ מבנה הרכיב : SOIC-16
.jpg)
מוצרים נלווים







