אוגר היסט - אלמנט 1 - SMD - 2V-6V - UNIVERSAL TEXAS INSTRUMENTS ועוד מעגלים משולבים (IC). לחצו למיפרט טכני מלא. צרו קשר לייעוץ מקצועי: 04-8520233
שתף
אוגר היסט - אלמנט 1 - SMD - 2V-6V - UNIVERSAL
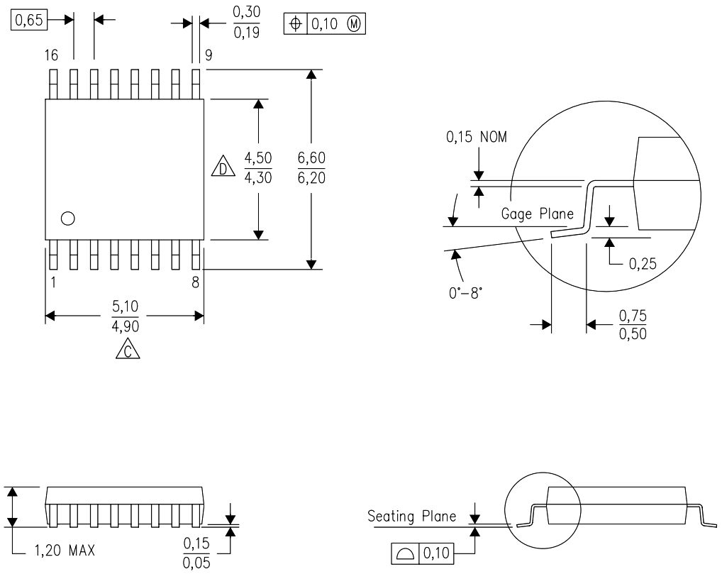
♦ מק''ט יצרן : CD74HC194PW
♦ מבנה הרכיב : TSSOP-16
.jpg)
מוצרים נלווים







