מיקרו בקר - DIP - 1.5KByte / 41Byte - 8BIT - 4MHZ - 6 I/O MICROCHIP ועוד מעגלים משולבים (IC). לחצו למיפרט טכני מלא. צרו קשר לייעוץ מקצועי: 04-8520233
מיקרו בקר - DIP - 1.5KByte / 41Byte - 8BIT - 4MHZ - 6 I/O
♦ מק''ט יצרן : PIC12F509-I/P
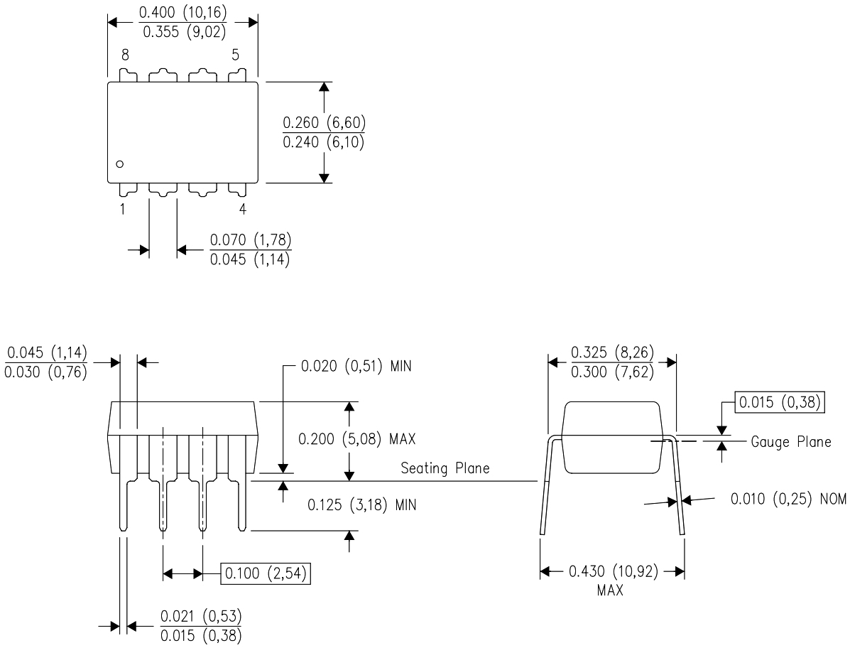
♦ מבנה הרכיב : DIP-8
.jpg)
מוצרים נלווים







