מעגלים משולבים (IC) » ממירים דיגיטלי לאנלוגי - DAC » ממירים דיגיטלי לאנלוגי - DIGITAL TO ANALOG CONVERTER (DAC) - DIP
ממיר דיגיטלי לאנלוגי (DIP - 12BIT - 62.5KSPS - SERIAL - (DAC ANALOG DEVICES ועוד מעגלים משולבים (IC). לחצו למיפרט טכני מלא. צרו קשר לייעוץ מקצועי: 04-8520233
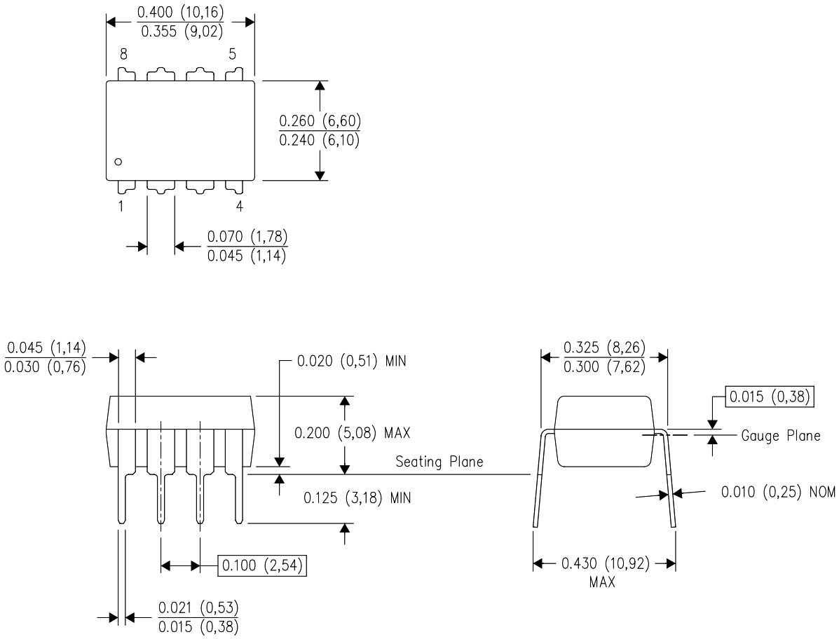
ממיר דיגיטלי לאנלוגי (DIP - 12BIT - 62.5KSPS - SERIAL - (DAC
♦ מק''ט יצרן : DAC8512FPZ
♦ מבנה הרכיב : DIP-8
.jpg)
מוצרים נלווים







