שנאי יצוק למעגל מודפס - 230V ⇒ 24V - 96MA / 2.3VA MYRRA ועוד ספקי כוח, שנאים וממירי מתח. לחצו למיפרט טכני מלא. צרו קשר לייעוץ מקצועי: 04-8520233
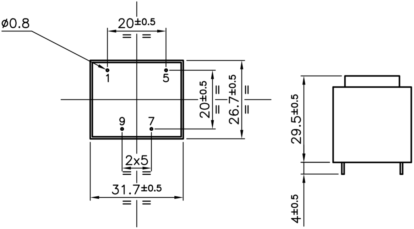
שנאי יצוק למעגל מודפס - 230V ⇒ 24V - 96MA / 2.3VA
♦ איטום בואקום עם בידוד 4KV
♦ הגנה פנימית מפני קצרים
♦ UL 5085 / VDE / EN 61558-2-6 / EN 60950

מוצרים נלווים







