מחבר MOLEX להלחמה למעגל מודפס - סדרת SL - זכר 7 מגעים MOLEX ועוד קונקטורים, מחברים ומתאמים. לחצו למיפרט טכני מלא. צרו קשר לייעוץ מקצועי: 04-8520233
מחבר MOLEX להלחמה למעגל מודפס - סדרת SL - זכר 7 מגעים
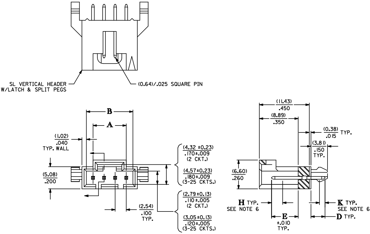
♦ מק''ט יצרן : 70541-0006
♦ סוג מחבר : STRAIGHT PLUG SINGLE ROW - BEVELED PEG
♦ שיטת חיבור : הלחמה THORUGH HOLE
♦ מגעים מנחושת עם ציפוי זהב
♦ מרווח בין מגעים : 2.54MM
♦ מתח מקסימלי : 250V
♦ זרם מקסימלי : 3A
♦ טמפרטורת עבודה : 40ºC ~ 105ºC-
♦ מינימום להזמנה : 10 יחידות

מוצרים נלווים
| תמונה | תיאור מוצר | הוסף לסל | |||
|---|---|---|---|---|---|
| 9422162 לוחץ למחברי MOLEX - סדרת 24AWG ~ 30AWG - SL | MOLEX | לוחץ למחברי MOLEX - סדרת 24AWG ~ 30AWG - SL ... כלי עבודה ידניים » לוחצים לכבלים | כמות | |
| 6096571 מחבר MOLEX ללחיצה לכבל - סדרת SL - נקבה 7 מגעים | MOLEX | מחבר MOLEX ללחיצה לכבל - סדרת SL - נקבה 7 מגעים ♦ מק''ט יצרן : 50-57-9407 ... קונקטורים, מחברים ומתאמים » מחברים ומתאמים - MOLEX | כמות |







