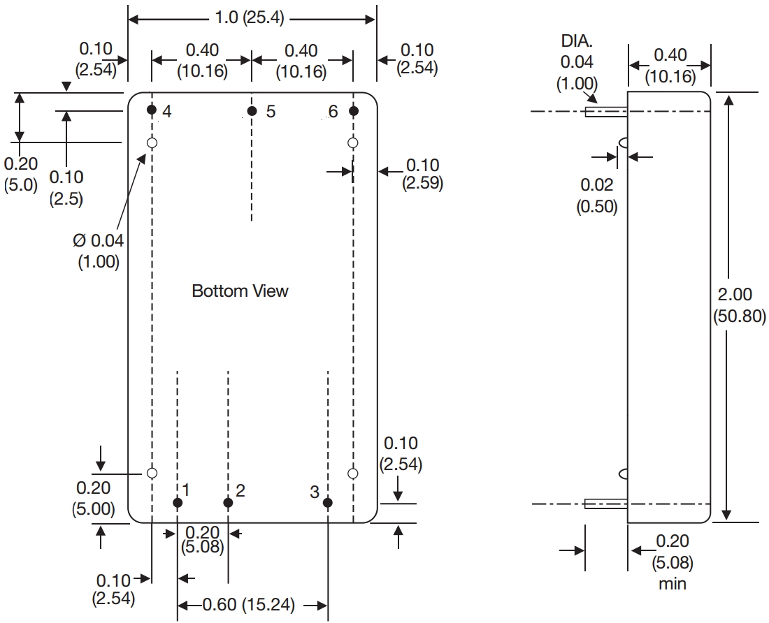
ספקי כוח, שנאים וממירי מתח » ממירי מתח - DC > DC » ממירי מתח DC > DC - יציאה אחת - (THROUGH HOLE (DIP
ממיר מתח - 40W , 9VDC ~ 18VDC ⇒ 15VDC , 2670MA XP POWER ועוד ספקי כוח, שנאים וממירי מתח. לחצו למיפרט טכני מלא. צרו קשר לייעוץ מקצועי: 04-8520233
מוצרים נלווים








