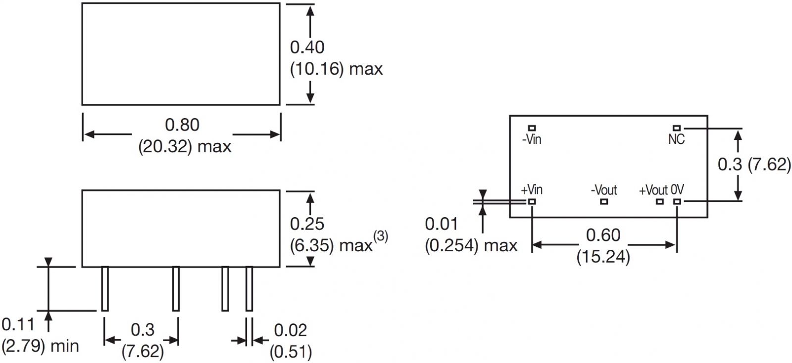
ספקי כוח, שנאים וממירי מתח » ממירי מתח - DC > DC » ממירי מתח DC > DC - יציאה מרובה - (THROUGH HOLE (DIP
ממיר מתח - 1W , 10.8VDC ~ 13.2VDC ⇒ ±5VDC , 100MA XP POWER ועוד ספקי כוח, שנאים וממירי מתח. לחצו למיפרט טכני מלא. צרו קשר לייעוץ מקצועי: 04-8520233
מוצרים נלווים








