מלחצי קליבה - P600L - TOGGLE CLAMP - PUSH / PULL HMC BRAUER ועוד כלי עבודה ידניים. לחצו למיפרט טכני מלא. צרו קשר לייעוץ מקצועי: 04-8520233
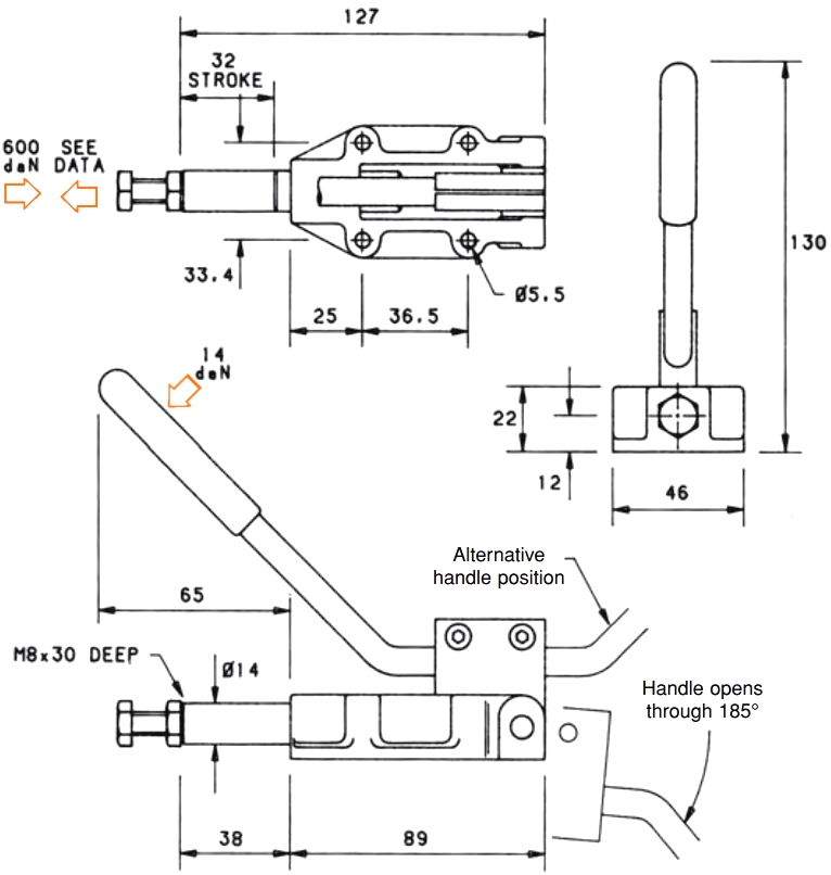
מלחצי קליבה - P600L - TOGGLE CLAMP - PUSH / PULL
♦ בסיס FLANGE חזק ויציב
♦ ידית ארגונומית עם ציפוי PVC
♦ כח הידוק נומינלי : 600daN

מוצרים נלווים







