מפסק DIP למעגל מודפס - 8 מעגלים - סדרת DA MULTICOMP ועוד רכיבי אלקטרוניקה. לחצו למיפרט טכני מלא. צרו קשר לייעוץ מקצועי: 04-8520233
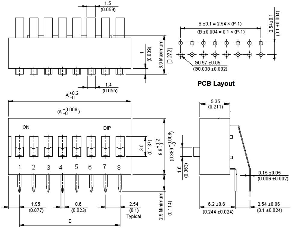
מפסק DIP למעגל מודפס - 8 מעגלים - סדרת DA
♦ סוג המפסק : DIP SWITCH SPST THROUGH HOLE
♦ מגעים מנחושת עם ציפוי זהב
♦ מתח מגעים מקסימלי : 24VDC
♦ זרם מגעים מקסימלי : 25MA

מוצרים נלווים







