מפסק DIP למעגל מודפס - 6 מעגלים - סדרת DHN MULTICOMP ועוד רכיבי אלקטרוניקה. לחצו למיפרט טכני מלא. צרו קשר לייעוץ מקצועי: 04-8520233
מפסק DIP למעגל מודפס - 6 מעגלים - סדרת DHN
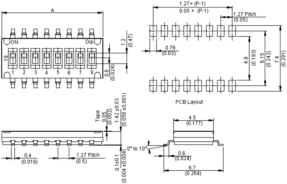
♦ סוג המפסק : DIP SWITCH SPST SURFACE MOUNT
♦ מגעים מנחושת עם ציפוי זהב
♦ מתח מגעים מקסימלי : 24VDC
♦ זרם מגעים מקסימלי : 25MA

מוצרים נלווים







