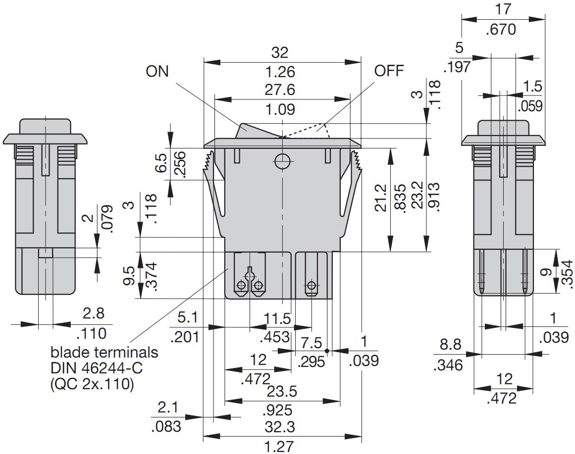
מנתק מעגלים - סדרה 1410 - 1A , 240VAC / 48VDC E-T-A ועוד רכיבי אלקטרוניקה. לחצו למיפרט טכני מלא. צרו קשר לייעוץ מקצועי: 04-8520233
מנתק מעגלים - סדרה 1410 - 1A , 240VAC / 48VDC
♦ סוג מנתק מעגלים : THERMAL OVERCURRENT CIRCUIT BREAKER
♦ זרם הפעלה : 1A
♦ מתח מקסימלי : 240VAC , 48VDC

מוצרים נלווים







